| État de disponibilité: | |
|---|---|
| Quantité: | |
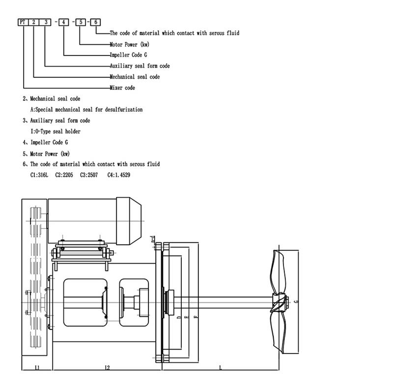
Introduction du mélangeur à entrée latérale de type ceinture PT :
Utilisation de la désulfuration des gaz de combustion : empêche principalement le dépôt de solides du réservoir à lisier et garantit que la boue peut être transportée uniformément vers le processus suivant.Renforce la diffusion de l'air oxydé, favorise également l'oxydation du sulfite de calcium, la croissance des cristaux de gypse et la dissolution du calcaire.L'utilisation de cet équipement présente de nombreux avantages, tels qu'un faible investissement, un fonctionnement pratique, un rendement élevé, une faible consommation d'énergie, une faible électricité statique générée dans le milieu et garantit la qualité du produit.
Ce type de mélangeur peut également être utilisé pour le traitement des eaux usées et l'industrie papetière.
Matériel
À quoi devez-vous faire attention lors de la conception de l’agitateur latéral ?
1. Déterminez le but du mélange de l'agitateur de type latéral : si un mélange liquide-liquide, une suspension solide-liquide, une dispersion gaz-liquide ou liquide-liquide est effectué, s'il est nécessaire d'obtenir un transfert de chaleur, une absorption, une extraction, dissolution, cristallisation, etc. Le type de palette d'agitation est choisi en fonction des caractéristiques du processus.
2. Calculez la puissance de l'opération de mélange : le mouvement requis lorsque le processus de mélange est effectué.
Le calcul du niveau de puissance est compliqué et est lié au diamètre du réservoir, au diamètre de la boue, à la largeur de la lame, à l'angle, au nombre de couches, à la viscosité, au nombre de déflecteurs et à la taille du déflecteur.
3. Sélectionnez la puissance du moteur de l'agitateur de type latéral : la valeur calculée après l'efficacité doit être supérieure ou égale à 1,5 fois la puissance de fonctionnement de l'agitation.
4. Détermination du nombre minimum de tours agités dans la rue : Ce nombre de tours est le nombre minimum de tours aux fins de mélange plutôt que le nombre critique de tours de l'arbre agitateur.
5. Selon la sélection de puissance, vérifiez la rigidité et la résistance de l'arbre de mélange et de la palette.
6. Lors de l'utilisation du réducteur de vitesse, le facteur d'utilisation du réducteur et la capacité de charge du réducteur doivent également être pris en compte.
7. Pour l'arbre mince, pensez à ajouter un support, un support central ou inférieur.
8, considérez également la méthode d'installation (entrée supérieure ou entrée inférieure ou entrée latérale), celle-ci est déterminée en premier.
9, prise en charge de la conception.
10. L'agitateur latéral est scellé (remplissage ou joint de machine).
Hot Tags: mélangeur entrant côté fgd, Chine, fabricants, fournisseurs, usine, achat, personnalisé, devis, fabriqué en Chine
Introduction du mélangeur à entrée latérale de type ceinture PT :
Utilisation de la désulfuration des gaz de combustion : empêche principalement le dépôt de solides du réservoir à lisier et garantit que la boue peut être transportée uniformément vers le processus suivant.Renforce la diffusion de l'air oxydé, favorise également l'oxydation du sulfite de calcium, la croissance des cristaux de gypse et la dissolution du calcaire.L'utilisation de cet équipement présente de nombreux avantages, tels qu'un faible investissement, un fonctionnement pratique, un rendement élevé, une faible consommation d'énergie, une faible électricité statique générée dans le milieu et garantit la qualité du produit.
Ce type de mélangeur peut également être utilisé pour le traitement des eaux usées et l'industrie papetière.
Matériel
À quoi devez-vous faire attention lors de la conception de l’agitateur latéral ?
1. Déterminez le but du mélange de l'agitateur de type latéral : si un mélange liquide-liquide, une suspension solide-liquide, une dispersion gaz-liquide ou liquide-liquide est effectué, s'il est nécessaire d'obtenir un transfert de chaleur, une absorption, une extraction, dissolution, cristallisation, etc. Le type de palette d'agitation est choisi en fonction des caractéristiques du processus.
2. Calculez la puissance de l'opération de mélange : le mouvement requis lorsque le processus de mélange est effectué.
Le calcul du niveau de puissance est compliqué et est lié au diamètre du réservoir, au diamètre de la boue, à la largeur de la lame, à l'angle, au nombre de couches, à la viscosité, au nombre de déflecteurs et à la taille du déflecteur.
3. Sélectionnez la puissance du moteur de l'agitateur de type latéral : la valeur calculée après l'efficacité doit être supérieure ou égale à 1,5 fois la puissance de fonctionnement de l'agitation.
4. Détermination du nombre minimum de tours agités dans la rue : Ce nombre de tours est le nombre minimum de tours aux fins de mélange plutôt que le nombre critique de tours de l'arbre agitateur.
5. Selon la sélection de puissance, vérifiez la rigidité et la résistance de l'arbre de mélange et de la palette.
6. Lors de l'utilisation du réducteur de vitesse, le facteur d'utilisation du réducteur et la capacité de charge du réducteur doivent également être pris en compte.
7. Pour l'arbre mince, pensez à ajouter un support, un support central ou inférieur.
8, considérez également la méthode d'installation (entrée supérieure ou entrée inférieure ou entrée latérale), celle-ci est déterminée en premier.
9, prise en charge de la conception.
10. L'agitateur latéral est scellé (remplissage ou joint de machine).
Hot Tags: mélangeur entrant côté fgd, Chine, fabricants, fournisseurs, usine, achat, personnalisé, devis, fabriqué en Chine