| État de disponibilité: | |
|---|---|
| Quantité: | |
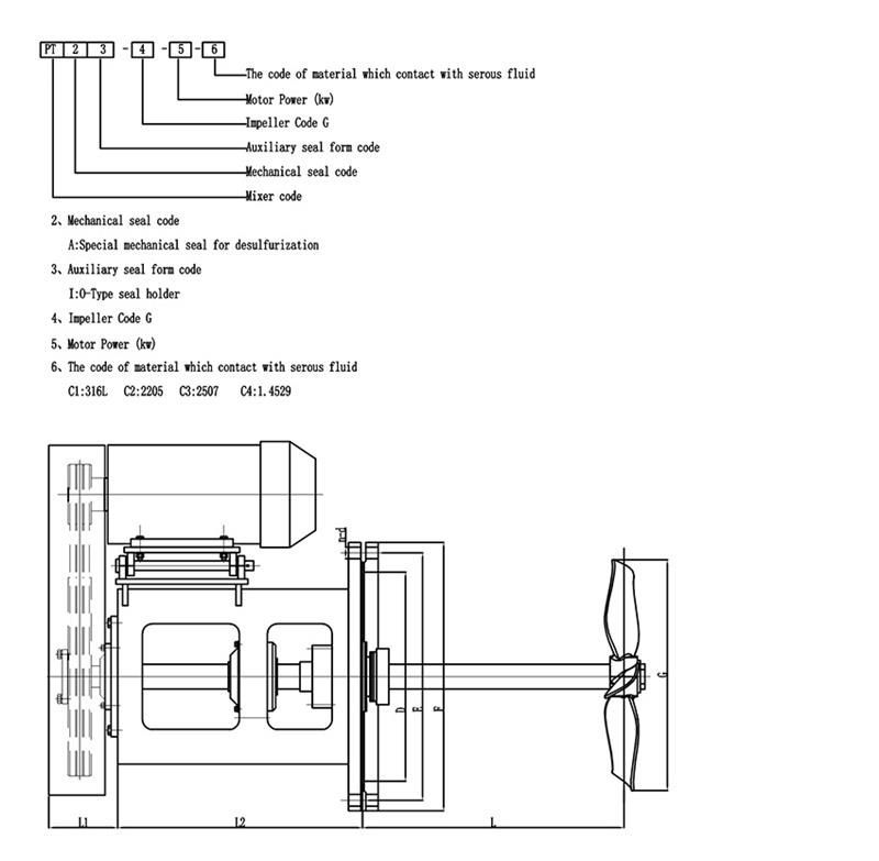
Introduction du mélangeur à entrée latérale de type ceinture PT :
Utilisation de la désulfuration des gaz de combustion : empêche principalement le dépôt de solides du réservoir à lisier et garantit que la boue peut être transportée uniformément vers le processus suivant.Renforce la diffusion de l'air oxydé, favorise également l'oxydation du sulfite de calcium, la croissance des cristaux de gypse et la dissolution du calcaire.L'utilisation de cet équipement présente de nombreux avantages, tels qu'un faible investissement, un fonctionnement pratique, un rendement élevé, une faible consommation d'énergie, une faible électricité statique générée dans le milieu et garantit la qualité du produit.
Ce type de mélangeur peut également être utilisé pour le traitement des eaux usées et l'industrie papetière.
Matériel
Comment le mélangeur à entrée latérale de désulfuration est-il conçu pour le programme ?
Le côté désulfuration entre dans l’agitateur est différent des autres équipements de mélange.Comparé à d'autres équipements de mélange, le mélangeur à entrée latérale FGD possède sa propre procédure de conception unique.Ci-dessous, examinons-le ensemble.
1. Lors de la conception de l'agitateur à entrée latérale de désulfuration, nous pouvons sélectionner les exigences de couple ou de puissance de plusieurs vitesses différentes en fonction de la valeur D/DT existante de l'équipement utilisateur et des exigences du client en matière de temps de mélange et de degré d'agitation.Parmi eux, le degré d'agitation est limité par la différence de viscosité du matériau, la différence de densité et s'il ne s'agit pas d'un fluide newtonien.
2. Sélectionnez une hauteur d'installation de turbine raisonnable et combinez l'équipement pour estimer la longueur approximative de l'arbre de l'agitateur.
3. Estimez la puissance raisonnable du moteur.
4, reportez-vous aux performances existantes, telles que la consommation électrique de la roue, le réducteur, son arbre de sortie, les supports, etc., sélectionnez l'agitateur qui peut répondre aux trois premières exigences.
5. En fonction des conditions telles que la vitesse de pointe de la pointe de la pale, déterminez la vitesse de rotation la plus appropriée, optimisez la conception, puis vérifiez et analysez la dynamique et la résistance du système d'arbre en fonction des conditions déterminées.
Hot Tags: agitateurs à entrée latérale pour la désulfuration, Chine, fabricants, fournisseurs, usine, achat, sur mesure, devis, fabriqué en Chine
Introduction du mélangeur à entrée latérale de type ceinture PT :
Utilisation de la désulfuration des gaz de combustion : empêche principalement le dépôt de solides du réservoir à lisier et garantit que la boue peut être transportée uniformément vers le processus suivant.Renforce la diffusion de l'air oxydé, favorise également l'oxydation du sulfite de calcium, la croissance des cristaux de gypse et la dissolution du calcaire.L'utilisation de cet équipement présente de nombreux avantages, tels qu'un faible investissement, un fonctionnement pratique, un rendement élevé, une faible consommation d'énergie, une faible électricité statique générée dans le milieu et garantit la qualité du produit.
Ce type de mélangeur peut également être utilisé pour le traitement des eaux usées et l'industrie papetière.
Matériel
Comment le mélangeur à entrée latérale de désulfuration est-il conçu pour le programme ?
Le côté désulfuration entre dans l’agitateur est différent des autres équipements de mélange.Comparé à d'autres équipements de mélange, le mélangeur à entrée latérale FGD possède sa propre procédure de conception unique.Ci-dessous, examinons-le ensemble.
1. Lors de la conception de l'agitateur à entrée latérale de désulfuration, nous pouvons sélectionner les exigences de couple ou de puissance de plusieurs vitesses différentes en fonction de la valeur D/DT existante de l'équipement utilisateur et des exigences du client en matière de temps de mélange et de degré d'agitation.Parmi eux, le degré d'agitation est limité par la différence de viscosité du matériau, la différence de densité et s'il ne s'agit pas d'un fluide newtonien.
2. Sélectionnez une hauteur d'installation de turbine raisonnable et combinez l'équipement pour estimer la longueur approximative de l'arbre de l'agitateur.
3. Estimez la puissance raisonnable du moteur.
4, reportez-vous aux performances existantes, telles que la consommation électrique de la roue, le réducteur, son arbre de sortie, les supports, etc., sélectionnez l'agitateur qui peut répondre aux trois premières exigences.
5. En fonction des conditions telles que la vitesse de pointe de la pointe de la pale, déterminez la vitesse de rotation la plus appropriée, optimisez la conception, puis vérifiez et analysez la dynamique et la résistance du système d'arbre en fonction des conditions déterminées.
Hot Tags: agitateurs à entrée latérale pour la désulfuration, Chine, fabricants, fournisseurs, usine, achat, sur mesure, devis, fabriqué en Chine