| État de disponibilité: | |
|---|---|
| Quantité: | |
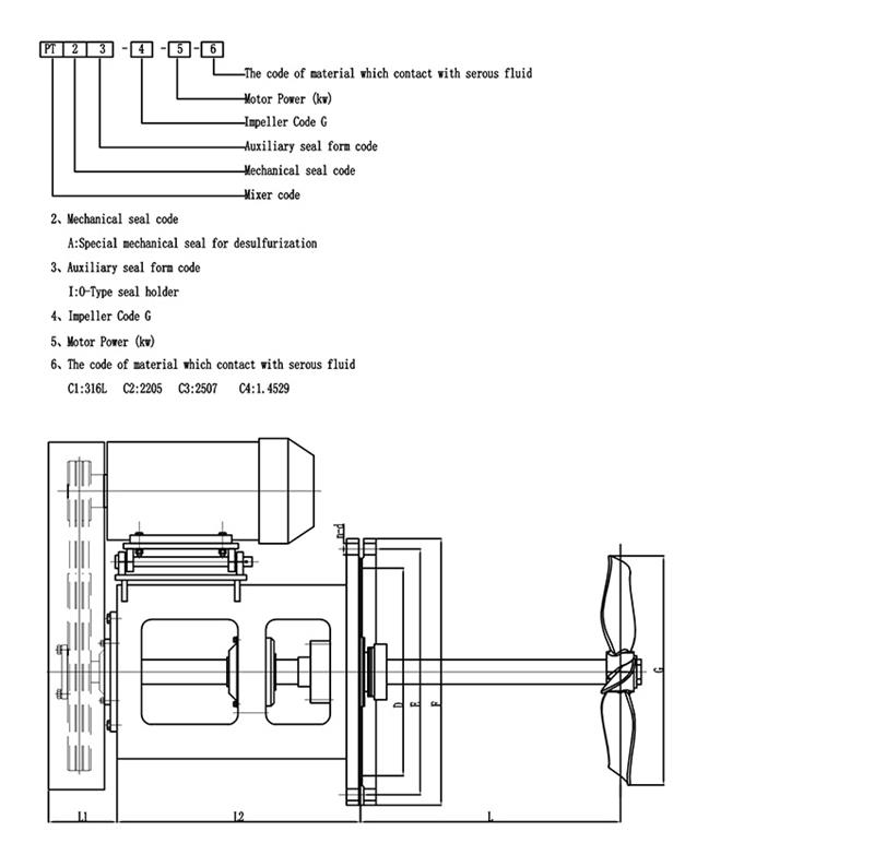
Mélangeur à entrée latérale pour Désulfuration des gaz de combustion(DGD)
L'agitateur, en tant que partie d'une usine de désulfuration des gaz de combustion (FGD), joue un rôle crucial dans le fonctionnement global de l'usine.Les usines FGD sont conçues pour éliminer le dioxyde de soufre (SO2) des gaz de combustion émis par les centrales électriques et les processus industriels.
L'agitateur est généralement composé d'un moteur, d'un réducteur, d'un roulement et d'un arbre et d'une turbine d'agitation, etc., qui peuvent s'adapter à différents systèmes de désulfuration des gaz de combustion et conditions de fonctionnement.
détails du produit
| Marque du moteur | En option (ABS/SEW/SIEMENS/domestique de haute qualité) |
| Marque de réducteur | En option (ABS/SEW/FALK/REXNORD/Domestic de haute qualité) |
| Puissance du moteur | 0,37 ~ 110 kW |
| Dia.de l'arbre | 30~500 mm |
| Longueur de l'arbre | 200~30000mm |
| Vitesse de rotation | 0,2 ~ 600 tr/min |
| Turbine | Roue traditionnelle efficace |
| Matériel | Acier au carbone, alliages à base de nickel, aciers duplex et super duplex, titane et alliages de titane, revêtements en caoutchouc, PO, PE, PP, PTFE |
Application:
L'agitateur est largement utilisé dans le processus de désulfuration des gaz de combustion.Par exemple,
1. Dans la désulfuration des gaz de combustion humides, les agitateurs peuvent aider à mélanger le désulfurant et les gaz de combustion, améliorant ainsi l'efficacité de la désulfuration.
2. Dans la désulfuration des gaz de combustion secs, les agitateurs peuvent aider à mélanger et disperser le désulfurant, améliorant ainsi l'efficacité de la désulfuration.
3. Il peut aider les ingénieurs et les techniciens à optimiser et automatiser le processus de désulfuration, à améliorer l'efficacité et le rendement de la désulfuration.
4. Il peut réduire la quantité de désulfurant, réduire le coût de la désulfuration et contribuer à la cause de la protection de l'environnement.
Cliquez ici pour envoyer une demande !
Les mélangeurs peuvent être personnalisés selon vos besoins !
Utilisation des agitateurs Keheng emballage en boîte en bois complet, après étapes de mesure, pesée, renforcement dans l'usine, qualifié dans l'entrepôt portuaire spécifique pour inspection, contrôle couche par couche.
Les méthodes de livraison de Keheng à l'étranger sont généralement CIF, CFR ou FOB, ce qui garantit la livraison des marchandises dans un délai d'un mois à un mois et demi après réception du paiement anticipé des clients.
SERVICE SUR LE TERRAIN
KEHENG a près de 30 ans d'expérience.Notre entreprise peut effectuer des diagnostics et des réparations sur le terrain.L'équipe technique proposera diverses options de maintenance sur site pour vous aider dans vos opérations de mélange.
Installation: Selon les spécifications du client
Consultation et réparation sur place: KEHENG fournit des services de diagnostic de réparation sur site.Si le problème ne peut être résolu sur place, l’équipement peut être renvoyé à notre service d’inspection et de réparation.
Entretien préventif: Toutes les machines doivent passer une inspection stricte avant de sortir.KEHENG fournira des tests de diagnostic et de référence pour garantir des performances optimales de la solution et de l'équipement de mélange.
Autre service: KÉHENG peut fournir de nouvelles solutions et équipements de mélange pour votre projet de reconstruction.
SERVICE DE RÉPARATION
KEHENG fournit l'analyse et les options les plus complètes pour réparer les entraînements des mélangeurs à entrée supérieure. Le programme d'inspection et de réparation fournit :
1. Fiabilité et fiabilité accrues
2. Des réparations de haute qualité répondant à des spécifications strictes
3. Prolongation de la durée de vie de votre équipement
Toutes les pièces de l’entraînement du mélangeur sont soigneusement nettoyées et inspectées pour déterminer la véritable cause de la panne.Des rapports détaillés sont fournis ainsi que des options de réparation à plusieurs niveaux.Les clients choisissent les réparations appropriées à leurs besoins opérationnels.Des garanties sont disponibles selon l'option de réparation choisie.
Les problèmes courants qui peuvent être résolus comprennent :
1. Fatigue mécanique
2. Conditions bouleversées
3. Charge de choc
4. Changement de processus
5. Équilibre de la turbine
SERVICE CLIENT
1. Tous les clients KEHENG recevront une assistance et des suggestions avant et après la vente.
2. Le service fourni par KEHENG vise à aider le client à choisir les produits les plus adaptés.
3. KEHENG aide les clients à utiliser correctement le produit : PLANIFICATION, INSTALLATION, FORMATION, ÉLIMINATION DES PROBLÈMES, ENTRETIEN ET RÉPARATIONS, RÉNOVATION ET MODERMISATION.
4. Offre KEHENG : Fourniture de pièces détachées, développement technique et dernières technologies disponibles, optimisation des stocks clients et recommandations de pièces détachées.
SOUTIEN TECHNIQUE
KEHENG dispose d'une équipe complète d'ingénieurs d'application possédant une riche expérience et des connaissances approfondies.Notre équipe technique est composée d'ingénieurs de support technique, d'ingénieurs de conception et de développement de produits.Ils possèdent les connaissances et les compétences spécialisées nécessaires pour fournir un service et des conseils réactifs et fiables.Ils seront en collaboration avec les ingénieurs commerciaux pour compléter la communication.Les ingénieurs d'application peuvent spécifier le type d'entraînement, le rapport d'entraînement, les exigences de montage du moteur, les exigences de montage de l'entraînement, les éléments spéciaux tels que les garnitures mécaniques et les moteurs, l'arbre de l'agitateur, le moyeu de la roue et les détails des pales de la roue.
Si vous en avez besoin, KEHENG peut vous accompagner dans les formations et instructions suivantes pour que votre personnel soit qualifié et familiarisé avec les caractéristiques des équipements spécifiques KEHENG.
1. Formation opérationnelle
2. Formation d'entretien
3. Formation aux processus
JiangSu KeHeng Petrochemical & Electrical Machinery Co., Ltd a été fondée en 1989. Il s'agit d'une entreprise de haute technologie, spécialisée dans la R&D professionnelle, la conception, la fabrication et l'installation.Principalement engagé dans Four de chauffage pétrochimique, système de récupération de chaleur résiduelle, équipement de désulfuration de centrale électrique, système de traitement des eaux usées, mélangeur etc. Produits vendus dans toute la Chine et exportés vers l'Asie du Sud-Est, l'Europe, l'Afrique, le Moyen-Orient, le Japon, l'Inde, le Kazakhstan, la Turquie et de nombreux autres pays.
KeHeng a Centre R&D indépendant et parfait tests de produits, inspecter équipement. Avec des années d'innovation constante, Il a été récompensé plus de 30 utilitaire modèle brevets et 5 brevets d'invention par l'Office national de la propriété intellectuelle. Jusqu'à présent, KeHeng a devenir un fournisseur qualifié dans le lien d'approvisionnement de plusieurs grandes entreprises et groupes industriels, par exemple, PetroChine, Sinopec, CNOOC etc.
Occuper le marché avec la qualité des produits, gagner le client avec la réputation de l'entreprise
Intégrité – Notre fondement ;Développement- La poursuite éternelle de KeHeng.
La qualité des produits
Tous nos mélangeurs sont fabriqués dans des installations spécialisées sur mesure selon les normes de qualité ISO9001 et utilisent uniquement des composants de haute qualité dans leur construction.
Design personalisé
Notre équipe technique professionnelle concevra le mélangeur le plus adapté à vos besoins, qui pourra atteindre une valeur d'utilisation maximale.
Pprojet Mgestion
Nous affectons des chefs de projet dédiés pour garantir que chaque aspect de la fabrication, de l’assemblage et du contrôle qualité progresse pour répondre aux spécifications individuelles des clients.
Service client
Tous les clients KEHENG bénéficieront d'une assistance et de suggestions avant et après la vente.Nous aidons les clients à utiliser correctement le produit : PLANIFIER、INSTALLATION、ENTRAÎNEMENT、SUPPRESSION DES PROBLEMES、ENTRETIEN ET RÉPARATIONS、RÉNOVATION ET MODERMISATION.
Q : Êtes-vous une société commerciale ou un fabricant ?
R : Nous sommes fabricant.Notre usine est dans le Jiangsu. Q : Comment personnaliser les agitateurs et les mélangeurs ? R : Vous pouvez nous envoyer les paramètres de candidature ou remplir le formulaire que nous avons fourni, puis nous sélectionnerons ou concevrons le produit qui fonctionne le mieux pour vous et votre entreprise. Q : Quel est le délai de production ? R : Normalement 30 jours.Si vous devez choisir une marque de moteur particulière, le délai de livraison peut varier. Q : À propos de la garantie du produit ? R : Normalement, nous offrons une garantie d'un an pour les produits vendus, mais nous pouvons également fournir un service à vie lorsque vous en avez besoin pour maintenir une relation à long terme avec vous.
Mélangeur à entrée latérale pour Désulfuration des gaz de combustion(DGD)
L'agitateur, en tant que partie d'une usine de désulfuration des gaz de combustion (FGD), joue un rôle crucial dans le fonctionnement global de l'usine.Les usines FGD sont conçues pour éliminer le dioxyde de soufre (SO2) des gaz de combustion émis par les centrales électriques et les processus industriels.
L'agitateur est généralement composé d'un moteur, d'un réducteur, d'un roulement et d'un arbre et d'une turbine d'agitation, etc., qui peuvent s'adapter à différents systèmes de désulfuration des gaz de combustion et conditions de fonctionnement.
détails du produit
| Marque du moteur | En option (ABS/SEW/SIEMENS/domestique de haute qualité) |
| Marque de réducteur | En option (ABS/SEW/FALK/REXNORD/Domestic de haute qualité) |
| Puissance du moteur | 0,37 ~ 110 kW |
| Dia.de l'arbre | 30~500 mm |
| Longueur de l'arbre | 200~30000mm |
| Vitesse de rotation | 0,2 ~ 600 tr/min |
| Turbine | Roue traditionnelle efficace |
| Matériel | Acier au carbone, alliages à base de nickel, aciers duplex et super duplex, titane et alliages de titane, revêtements en caoutchouc, PO, PE, PP, PTFE |
Application:
L'agitateur est largement utilisé dans le processus de désulfuration des gaz de combustion.Par exemple,
1. Dans la désulfuration des gaz de combustion humides, les agitateurs peuvent aider à mélanger le désulfurant et les gaz de combustion, améliorant ainsi l'efficacité de la désulfuration.
2. Dans la désulfuration des gaz de combustion secs, les agitateurs peuvent aider à mélanger et disperser le désulfurant, améliorant ainsi l'efficacité de la désulfuration.
3. Il peut aider les ingénieurs et les techniciens à optimiser et automatiser le processus de désulfuration, à améliorer l'efficacité et le rendement de la désulfuration.
4. Il peut réduire la quantité de désulfurant, réduire le coût de la désulfuration et contribuer à la cause de la protection de l'environnement.
Cliquez ici pour envoyer une demande !
Les mélangeurs peuvent être personnalisés selon vos besoins !
Utilisation des agitateurs Keheng emballage en boîte en bois complet, après étapes de mesure, pesée, renforcement dans l'usine, qualifié dans l'entrepôt portuaire spécifique pour inspection, contrôle couche par couche.
Les méthodes de livraison de Keheng à l'étranger sont généralement CIF, CFR ou FOB, ce qui garantit la livraison des marchandises dans un délai d'un mois à un mois et demi après réception du paiement anticipé des clients.
SERVICE SUR LE TERRAIN
KEHENG a près de 30 ans d'expérience.Notre entreprise peut effectuer des diagnostics et des réparations sur le terrain.L'équipe technique proposera diverses options de maintenance sur site pour vous aider dans vos opérations de mélange.
Installation: Selon les spécifications du client
Consultation et réparation sur place: KEHENG fournit des services de diagnostic de réparation sur site.Si le problème ne peut être résolu sur place, l’équipement peut être renvoyé à notre service d’inspection et de réparation.
Entretien préventif: Toutes les machines doivent passer une inspection stricte avant de sortir.KEHENG fournira des tests de diagnostic et de référence pour garantir des performances optimales de la solution et de l'équipement de mélange.
Autre service: KÉHENG peut fournir de nouvelles solutions et équipements de mélange pour votre projet de reconstruction.
SERVICE DE RÉPARATION
KEHENG fournit l'analyse et les options les plus complètes pour réparer les entraînements des mélangeurs à entrée supérieure. Le programme d'inspection et de réparation fournit :
1. Fiabilité et fiabilité accrues
2. Des réparations de haute qualité répondant à des spécifications strictes
3. Prolongation de la durée de vie de votre équipement
Toutes les pièces de l’entraînement du mélangeur sont soigneusement nettoyées et inspectées pour déterminer la véritable cause de la panne.Des rapports détaillés sont fournis ainsi que des options de réparation à plusieurs niveaux.Les clients choisissent les réparations appropriées à leurs besoins opérationnels.Des garanties sont disponibles selon l'option de réparation choisie.
Les problèmes courants qui peuvent être résolus comprennent :
1. Fatigue mécanique
2. Conditions bouleversées
3. Charge de choc
4. Changement de processus
5. Équilibre de la turbine
SERVICE CLIENT
1. Tous les clients KEHENG recevront une assistance et des suggestions avant et après la vente.
2. Le service fourni par KEHENG vise à aider le client à choisir les produits les plus adaptés.
3. KEHENG aide les clients à utiliser correctement le produit : PLANIFICATION, INSTALLATION, FORMATION, ÉLIMINATION DES PROBLÈMES, ENTRETIEN ET RÉPARATIONS, RÉNOVATION ET MODERMISATION.
4. Offre KEHENG : Fourniture de pièces détachées, développement technique et dernières technologies disponibles, optimisation des stocks clients et recommandations de pièces détachées.
SOUTIEN TECHNIQUE
KEHENG dispose d'une équipe complète d'ingénieurs d'application possédant une riche expérience et des connaissances approfondies.Notre équipe technique est composée d'ingénieurs de support technique, d'ingénieurs de conception et de développement de produits.Ils possèdent les connaissances et les compétences spécialisées nécessaires pour fournir un service et des conseils réactifs et fiables.Ils seront en collaboration avec les ingénieurs commerciaux pour compléter la communication.Les ingénieurs d'application peuvent spécifier le type d'entraînement, le rapport d'entraînement, les exigences de montage du moteur, les exigences de montage de l'entraînement, les éléments spéciaux tels que les garnitures mécaniques et les moteurs, l'arbre de l'agitateur, le moyeu de la roue et les détails des pales de la roue.
Si vous en avez besoin, KEHENG peut vous accompagner dans les formations et instructions suivantes pour que votre personnel soit qualifié et familiarisé avec les caractéristiques des équipements spécifiques KEHENG.
1. Formation opérationnelle
2. Formation d'entretien
3. Formation aux processus
JiangSu KeHeng Petrochemical & Electrical Machinery Co., Ltd a été fondée en 1989. Il s'agit d'une entreprise de haute technologie, spécialisée dans la R&D professionnelle, la conception, la fabrication et l'installation.Principalement engagé dans Four de chauffage pétrochimique, système de récupération de chaleur résiduelle, équipement de désulfuration de centrale électrique, système de traitement des eaux usées, mélangeur etc. Produits vendus dans toute la Chine et exportés vers l'Asie du Sud-Est, l'Europe, l'Afrique, le Moyen-Orient, le Japon, l'Inde, le Kazakhstan, la Turquie et de nombreux autres pays.
KeHeng a Centre R&D indépendant et parfait tests de produits, inspecter équipement. Avec des années d'innovation constante, Il a été récompensé plus de 30 utilitaire modèle brevets et 5 brevets d'invention par l'Office national de la propriété intellectuelle. Jusqu'à présent, KeHeng a devenir un fournisseur qualifié dans le lien d'approvisionnement de plusieurs grandes entreprises et groupes industriels, par exemple, PetroChine, Sinopec, CNOOC etc.
Occuper le marché avec la qualité des produits, gagner le client avec la réputation de l'entreprise
Intégrité – Notre fondement ;Développement- La poursuite éternelle de KeHeng.
La qualité des produits
Tous nos mélangeurs sont fabriqués dans des installations spécialisées sur mesure selon les normes de qualité ISO9001 et utilisent uniquement des composants de haute qualité dans leur construction.
Design personalisé
Notre équipe technique professionnelle concevra le mélangeur le plus adapté à vos besoins, qui pourra atteindre une valeur d'utilisation maximale.
Pprojet Mgestion
Nous affectons des chefs de projet dédiés pour garantir que chaque aspect de la fabrication, de l’assemblage et du contrôle qualité progresse pour répondre aux spécifications individuelles des clients.
Service client
Tous les clients KEHENG bénéficieront d'une assistance et de suggestions avant et après la vente.Nous aidons les clients à utiliser correctement le produit : PLANIFIER、INSTALLATION、ENTRAÎNEMENT、SUPPRESSION DES PROBLEMES、ENTRETIEN ET RÉPARATIONS、RÉNOVATION ET MODERMISATION.
Q : Êtes-vous une société commerciale ou un fabricant ?
R : Nous sommes fabricant.Notre usine est dans le Jiangsu. Q : Comment personnaliser les agitateurs et les mélangeurs ? R : Vous pouvez nous envoyer les paramètres de candidature ou remplir le formulaire que nous avons fourni, puis nous sélectionnerons ou concevrons le produit qui fonctionne le mieux pour vous et votre entreprise. Q : Quel est le délai de production ? R : Normalement 30 jours.Si vous devez choisir une marque de moteur particulière, le délai de livraison peut varier. Q : À propos de la garantie du produit ? R : Normalement, nous offrons une garantie d'un an pour les produits vendus, mais nous pouvons également fournir un service à vie lorsque vous en avez besoin pour maintenir une relation à long terme avec vous.